| Sign In | Join Free | My futurenowinc.com |
|
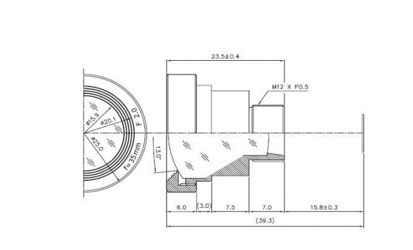
Brand Name : TOWIN
Model Number : CCL1235MP
Certification : CE/RoHS
Place of Origin : China
MOQ : 1
Price : USD
Packaging Details : Vacuum package
Resolution : Megapixel
Horizontal angle of View : 10 degree
Aperture : F2.0
Focal Length : 35mm
Mount : S
Distortion : less than 0.29%
High Megapixel Low distortion lens
| Feature: |
| ² High resolution, support Aptina sensor from MT9M111 to MT90006 (1.3MP-5MP) |
| ² Very low distortion ( all less than 1%) at wide angle |
| ² Application: Motion Capture, Video Conference,Biometric recognition, Document reading and passport reader and so on. |
| ² Aspherical technology to achieve compact mechanical design with excellent image |
| ² widely used to make 180 or 360 degree panoramic small cameras. |


|
|
1/2" 35mm, long focal length Megapixel S mount low distortion less less than 1% CCL1235MP Images |